Zo stuur je een proportioneel drukregelventiel zelf elektronisch aan

Drukregelventielen zijn er in verschillende uitvoeringen. Van handbediend tot elektronisch gestuurd. Met onderstaande aanwijzingen is het mogelijk om een modern proportioneel drukregelventiel zelf te voorzien van een geïntegreerde elektronische sturing.

Het manuele drukregelventiel

Bij het manuele, traditionele drukregelventiel blijft de uitgangsdruk gelijk omdat de kracht die deze druk uitoefent op een membraan of klep gelijk is aan een ingestelde veerkracht.

Het proportionele drukregelventiel met proportionele spoel

In een proportioneel drukregelventiel vervangt een proportionele spoel de manuele instellingen. De uitgangsdruk van dat ventiel is proportioneel met de kracht die door de proportionele spoel wordt uitgeoefend.

Als deze kracht evenredig is met de stroom die d006For de spoel gaat, dan is de uitgangsdruk van dit type ventiel proportioneel met de stroomsterkte over de spoel. De uitgangsdruk van het ventiel zal 0 bar zijn bij 0 mA stroomafname en maximaal zijn bij maximale stroomafname van de spoel.

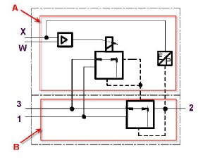
Het proportionele drukregelventiel met geïntegreerde elektronische sturing

Het nadeel van het hiervoor beschreven proportionele ventiel is dat je niet zeker weet of de druk aan de uitgangspoort van het ventiel overeenkomt met de druk die je verwacht. Een ander nadeel is dat deze ventielen niet rechtstreeks vanuit een PLC zijn aan te sturen omdat de gevraagde stroomsterkte van de proportionele spoel te groot is.

Om dit te verhelpen worden de moderne proportionele drukregelventielen voorzien van een geïntegreerde sturing.

Deze proportionele drukregelventielen bestaan uit een proportioneel drukregelventiel, een druksensor en de nodige elektronica.

Hoe ga je te werk?

Om op 2 de gewenste uitgangsdruk te krijgen stuurt je naar ingang W een aangepast elektrisch signaal. De druksensor (B) meet de uitgangsdruk van het proportionele drukregelventiel (A) en zet deze om in een analoog signaal.

Dit analoge signaal wordt teruggekoppeld naar de geïntegreerde elektronische module (C) die de gewenste druk (signaal W) vergelijkt met de effectief gemeten uitgangsdruk.

Indien de uitgangsdruk niet overeenstemt met de gewenste waarde, dan stuurt de elektronische module het ventiel bij tot de uitgangsdruk overeenstemt met de gewenste druk.

Het analoge uitgangssignaal van de druksensor wordt eveneens naar buiten gebracht via de aansluiting X, dit signaal kan dan eventueel teruggekoppeld worden naar een PLC of andere externe elektronische sturing. Omdat het ingangssignaal W slechts een stuursignaal is moet de elektronische module apart met 24VDC gevoed worden (niet afgebeeld op het symbool).