Snelheidsregeling van pneumatische cilinders

Met een snelheidsregeling van luchtcilinders krijg je een beter en vloeiender proces. De snelheid van een luchtcilinder is mede afhankelijk van de belasting op de luchtcilinder. Om de in- en/of uitgaande slag in snelheid te regelen in samenwerking met de belasting moet je het luchtdebiet aanpassen. Het luchtdebiet is de hoeveelheid lucht die in een bepaalde tijd verplaatst wordt.

Snelheidsregelventielen

De meest eenvoudige manier om dit te regelen is door middel van snelheidsregelventielen, ook wel smoorventielen genoemd. Echter zit er een verschil tussen die twee: een smoorventiel regelt in beide richtingen en bij een snelheidsregelventiel wordt luchtdebiet slechts in één richting beperkt en de andere richting heeft vrije doorgang.

De werking van een snelheidsregelventiel of smoorventiel is te vergelijken met een waterkraan die je meer of minder openzet. Meestal gebeurt dit door middel van een naald. Bij een regeling op een luchtcilinder smoren we in principe altijd de ontluchting. Hierdoor ontstaat een enigszins eenparige snelheid van de zuigerstang. Tevens hebben we op deze manier van smoren geen last van het welbekende slip-stick-effect.

Stick-slip of slip-stick noemt men het verschijnsel dat soms spontaan een schokkende beweging optreedt bij het over elkaar schuiven van twee voorwerpen.
(Bron: https://nl.wikipedia.org/wiki/Stick-slip_effect)

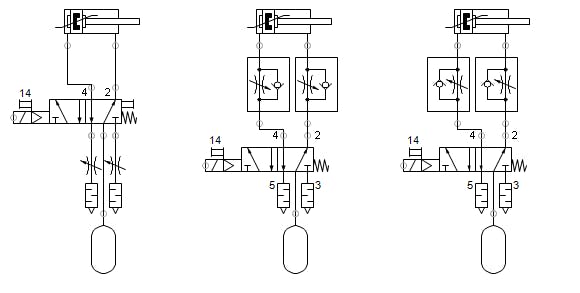
Er zijn drie verschillende manieren om snelheidsregelventielen te plaatsen in een circuit voor een luchtcilinder, in de:

  • Ontluchtingspoorten van het ventiel, ofwel regelbare dempers

  • Ontluchting tussen luchtcilinder en ventiel

  • Toevoerlucht tussen luchtcilinder en ventiel (kans op slip-stick)