Robert Eising
·Hydrauliek specialist

Wat is een drukbegrenzingsventiel?

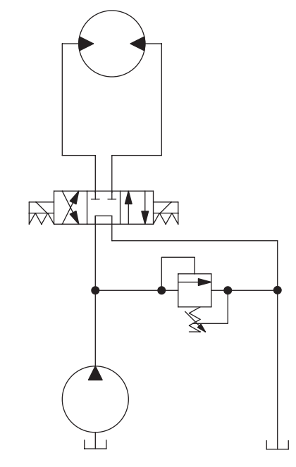
Een drukbegrenzingsventiel is een veiligheid in het hydraulische systeem dat ervoor zorgt dat de druk in het systeem niet te hoog wordt. Door middel van een stelschroef op het ventiel kun je de maximale werkdruk in het systeem instellen. Deze wordt normaal gesproken tussen 1.1 en 1,4 maal de werkdruk ingesteld. Wanneer de maximale werkdruk wordt bereikt, wordt de kogel tegen de veerdruk in weggedrukt en stort de olie naar de tank over. Dit duurt zolang de druk in het systeem hoger is dan de maximaal ingestelde werkdruk. Door het overstorten van olie ontstaat veel vermogensverlies. De hydraulische energie wordt omgezet in warmte.

Onderstaande afbeelding toont een doorsnede van een drukbegrenzingsventiel. Wanneer de druk op punt 1 hoger wordt dan de ingestelde werkdruk drukt de olie de plunjer tegen de veerdruk in en zal de olie ontsnappen via punt 2 richting tank.

Onderstaand een hydraulisch schema waarbij het drukbegrenzingsventiel is toegepast: